×
Főoldal
Rólunk
Akciók
Katalógusok
Vásárlási feltételek
Kapcsolat
Feliratkozás hírlevére
+36 1 260 30 30
Kategóriák
OUTLET %
Fúrók
Menetszerszámok
Marók
Esztergakések, lapkák, befogók és tartozékok
Menetidomszerek
Csiszolás- és vágástechnika
Csavarhúzók
Csillag-villáskulcsok, csillagkulcsok, dugókulcsok
Forrasztástechnika, antisztatikus termékek
Bitek, bittartók
Egyéb termékek
AKTUÁLIS AKCIÓK
Mahrlights Akció 2025 Akciós árak: 2025.09.17. és 2025.12.31. között
Tolómérők, mélységmérők
Mikrométerek
Digitális mérőórák
Szögtapintós mérőórák, analóg mérőórák
Furatmikrométerek, három ponton mérő belső mérőkészülékek
Mechanikus és induktív finomkijelzők
Felületmérő készülékek
Magasságmérők
Hosszmérő padok
Elektromos és pneumatikus hosszmérő készülékek
ASIMETO mérőeszköz akció 2024
Gránit mérőasztalok, dupla prizmapárok
Mélység- és magasságmérők
Mérőhasáb készletek, idomszerek
Mérőórák, mérőóraállványok
Mikrométerek
Műhelytolómérők
Precíziós élderékszögek, szögmérők
Tolómérők
Weidmüller Kéziszerszám akció - Érvényes: 2025. okóber 31-ig
BAHCO Ipari kéziszerszám akció 2025 Érvényes: 2026.03.31-ig
Csavarhúzók
Szerszámkocsik
Kézifűrészek
Nyomatékkulcsok
Kések
Dugókulcs készletek
Csavarozó szerszámok
Festékkaparók, vésőkészlet
Egyéb műhelyfelszerelések
Fogók
Mérőszalagok
Szerszámtáskák, mappák
Körkivágók
MITUTOYO TOP LINE mérőeszköz akció Érvényes: 2025.10.31-ig.
Weidmüller Szerszámakció Érvényes: 2026. január 31-ig
KOBE szerszám akció Érvényes: visszavonásig
SZERSZÁMTÁSKÁK KÉSZLETRŐL
Befogástechnika
Szerszámbefogók
Patronos szerszámbefogók
DIN 69871 SK
DIN 69871 - SK, normál hossz
DIN 69871 - SK, hosszú
DIN 69871 - SK, extra hosszú
JIS B 6339 ( MAS 403 BT )
JIS B 6339 ( MAS 403 BT ), normál hossz
ER patron készletek
Esztergatokmányok és tartozékaik
Esztergatokmányok hátsó rögzítéssel
3-pofás tokmányok
4-pofás tokmányok
Tokmánypofák
Normál pofák
Normál pofakészlet, 3 pofás tokmányhoz
Normál pofakészlet, 4 pofás tokmányhoz
Fordított pofák
Fordított pofakészlet, 3 pofás tokmányhoz
Fordított pofakészlet, 4 pofás tokmányhoz
Puha tokmánypofák
Puha pofakészlet, 3 pofás tokmányhoz
Puha pofakészlet, 4 pofás tokmányhoz
Szerelt puha tokmánypofák
Szerelt puha pofakészlet, 3 pofás tokmányhoz
Szerelt puha pofakészlet, 4 pofás tokmányhoz
Puhapofa alaptest
Puhapofa alaptest készlet, 3 pofás tokmányhoz
Puhapofa alaptest készlet, 4 pofás tokmányhoz
Szerelt tokmánypofához puhapofa (1 db)
Tokmányfelfogó tárcsák TOS IUS tokmányokhoz
Esztergatokmány felfogótárcsa Tos-IUS 243830 "A" tip. DIN 55026
Esztergatokmány felfogótárcsa Tos-IUS 243830 "B" tip. DIN 55027.
Esztergatokmány felfogótárcsa Tos-IUS 243830 "D" tip. DIN 55029.
Meghajtósprirál TOS-IUS tokmányhoz
Tokmány dió (1 db) IUS tokmányhoz
Tokmánykulcs
Esztergatokmányok átmenő rögzítéssel
3 - pofás tokmányok
4 - pofás tokmányok
Tokmánypofák
Normál pofák
Normál pofakészlet, 3 pofás tokmányhoz
Normál pofakészlet, 4 pofás tokmányhoz
Fordított pofák
Fordított pofakészlet, 3 pofás tokmányhoz
Fordított pofakészlet, 4 pofás tokmányhoz
Puha tokmánypofák
Puha pofakészlet, 3 pofás tokmányhoz
Puha pofakészlet, 4 pofás tokmányhoz
Szerelt puha tokmánypofák
Szerelt puha pofakészlet, 3 pofás tokmányhoz
Szerelt puha pofakészlet, 4 pofás tokmányhoz
Puhapofa alaptest
Puhapofa alaptest készlet, 3 pofás tokmányhoz
Puhapofa alaptest készlet, 4 pofás tokmányhoz
Szerelt tokmánypofához puhapofa (1 db)
Meghajtósprirál TOS-IUG, -IUGO tokmányhoz
Tokmány dió (1 db) IUG, IUGO tokmányhoz
Tokmánykulcsok
Acélházas, pontossági tokmányok
3-pofás acélházas tokmányok
4-pofás acélházas tokmányok
Tokmánypofák IUGO tokmányhoz
Normál pofák IUGO tokmányhoz
Nagy pontosságú normál pofa 3-pofás IUGO tokmányokhoz
Nagy pontosságú normál pofa 4-pofás IUGO tokmányokhoz
Fordított pofák IUGO tokmányhoz
Nagy pontosságú fordított pofa 3-pofás IUGO tokmányokhoz
Nagy pontosságú fordított pofa 4-pofás IUGO tokmányokhoz
Puha tokmánypofák
Puha pofakészlet, 3 pofás tokmányhoz
Puha pofakészlet, 4 pofás tokmányhoz
Szerelt puha tokmánypofák
Szerelt puha pofakészlet, 3 pofás tokmányhoz
Szerelt puha pofakészlet, 4 pofás tokmányhoz
Puhapofa alaptest
Puhapofa alaptest készlet, 3 pofás tokmányhoz
Puhapofa alaptest készlet, 4 pofás tokmányhoz
Szerelt tokmánypofához puhapofa (1 db)
Meghajtósprirál TOS-IUG, -IUGO tokmányhoz
Tokmány dió (1 db) IUG, IUGO tokmányhoz
Tokmánykulcsok
Fúrótokmányok
Kulcsos fúrótokmányok
Kézi szorítású fúrótokmányok
Felfogótüske fúrótokmányhoz
Álló- és forgócsúcsok
Állócsúcsok
Forgócsúcsok
Forgócsúcs 60°
Forgócsúcs 60°, hosszított
Forgócsúcsok cserélhető betétekkel
Satuk
Fúrógépsatuk
Műhelysatuk
Gépsatuk
Műszerész satuk
Mágneses satupofák
Gyorsszorítók, leszorítók
Függőleges ipari gyorsszorítók
Vízszintes ipari gyorsszorítók
Horgas (húzó) gyorsszorítók
Ipari gyorsszorítók, húzó-nyomó
Leszorítók, -készletek
Csiszolás- és vágástechnika
Csiszolóvászon, -papír, lamellás-, csapos csiszolók
Gyémánt paszták
Reszelők
Műhelyreszelők nyél nélkül
Műhelyreszelők nyéllel
Reszelő készletek
Kerek reszelő, nyelezett
Négyszög reszelő, nyelezett
Félkerek reszelő, nyelezett
Háromszög reszelő, nyelezett
Lapos reszelő, nyelezett
Tűreszelők
Ráspolyok
Keményfém turbómarók
Hengeres - Homlokfogazással
Hengeres - Homlokfogazás nélkül
Hengeres - Gömbvégű
Ívelt - Gömbvégű
Lángnyelv alakú
Ívelt - Hegyes végű
Gömb alakú
Kúpos
Turbómaró készletek
Vágókorongok
CUTTING-MASTER vékony vágókorongok szerkezeti acélhoz és inoxhoz
GRANIFLEX PLUSSZ vágókorongok inoxhoz
GRANIFLEX PLUSSZ vágókorongok kőzetekhez
GRANIFLEX PLUSSZ vágókorongok szerkezeti acélhoz
Ø 115 mm vágókorongok szerkezeti acélhoz
Ø 125 mm vágókorongok szerkezeti acélhoz
Ø 150 mm vágókorongok szerkezeti acélhoz
Ø 180 mm vágókorongok szerkezeti acélhoz
Vágókorongok szerkezeti acélhoz Ø 230 mm-től
York - Inox vágókorongok
Tisztítókorongok
GRANIFLEX PLUSSZ tisztítókorongok szerkezeti acélhoz
Granit lamellás csiszolótárcsák
Cirkon szemcsés csiszolótárcsák acélhoz és inoxhoz
Normálkorund szemcsés csiszolótárcsák acélhoz és fához
Kefék
Kézifűrészek és tartozékaik
Faipari kézifűrészek
Fém kézifűrészek
Kézifűrészek építőipari anyagokhoz
Fűrészlapok, tartalék pengék
Tartozékok kézifűrészekhez
Köszörűkorongok, korongszabályzók
6A jelű nemeskorund köszörűkorong, piros
1C jelű szilícium karbid köszörűkorong, szürke
Korongszabályzók
Forgácsoló szerszámok
Fúrás
Fúrók
Hengeres szárú fúrók
Normál hosszú hengeres szárú fúrók
Hosszú hengeres szárú fúrók HSSCo 0,9-16 mm-ig
Extra hosszú hengeres szárú fúrók HSSCo 2-13 mm-ig
Keményfémlapkás hengeres szárú csigafúrók
HSS kovácsfúrók hengeres szárral
Kúpos szárú csigafúrók
HSS kúpos szárú csigafúrók
MK1 kúpos szárú csigafúró 5 mm-14 mm HSS
MK2 kúpos szárú csigafúró 14,25 mm-23 mm HSS
MK3 kúpos szárú csigafúró 23,5 mm - 31,5 mm HSS
MK4 kúpos szárú csigafúró 32 mm - 50 mm HSS
HSSCo kúpos szárú csigafúrók
MK1 kúpos szárú csigafúró 5mm-14mm HSSCo 221143 StimZet
MK2 kúpos szárú csigafúró 14.25mm-23mm HSSCo 221143 StimZet
MK3 kúpos szárú csigafúró 23.5mm-31.5mm HSSCo 221143 StimZet
MK4 kúpos szárú csigafúró 32mm-50mm HSSCo 221143 StimZet
HSS hosszú és extra hosszú kúpos szárú csigafúrók
MK1 kúpos szárú hosszú, extra hosszú csigafúrók 8 mm-14 mm HSS
MK2 kúpos szárú hosszú, extra hosszú csigafúrók 14,5 mm-23 mm HSS
MK3 kúpos szárú hosszú, extra hosszú csigafúrók 23,5 mm-31 mm HSS
MK4 kúpos szárú hosszú, extra hosszú csigafúrók 32 mm-50 mm HSS
Hengeres szárú csigafúró készletek
HSS csigafúrók, lépcsős, csavarfej süllyesztéssel
HSS csigafúró, lépcsős, csavarfej süllyesztéssel, 180°
HSS csigafúró, lépcsős, csavarfej süllyesztéssel, 90°
HSS csigafúró, lépcsős, csavarfej süllyesztéssel, magfurat fúrással, 90°
Központfúrók, NC központozók
Központfúrók 60°, normál hossz
Központfúrók 60°, extra hossz
NC központozó fúró 90°-os
NC központozó fúró 120°-os
Lépcsős lemezfúrók
Kúpsüllyesztők
Dörzsárak
Hengeres szárú kézi dörzsár HSS H7
Hengeres szárú gépi dörzsár HSS H7
Kúpos szárú gépi dörzsár, spirál fogakkal HSS 5 H7- 32 H7-ig
Kúpos szárú gépi dörzsár egyenes fogakkal 6-32 mm H7
Feltűzhető gépi dörzsárak
Feltűzőszárak és szárgyűrűk dörzsárakhoz
Hengeres süllyesztő
Koronafúrók, magfúrók
Menetmegmunkálás
Menetfúrók
Gépi menetfúrók
"M" gépi menetfúrók
Gépi menetfúró metrikus csavart hornyú
Gépi menetfúró metrikus egyenes hornyú
Gépi menetfúró metrikus terelőéles
"M" gépi anyamenetfúrók
"MF" gépi menetfúrók
MF gépi menetfúrók MF3 - MF12
MF gépi menetfúrók MF13 - MF24
MF gépi menetfúrók MF25 - MF36
"G" gépi menetfúrók
"G" gépi menetfúrók egyenes horonnyal
"G" gépi menetfúrók csavart horonnyal
"UNF" gépi menetfúrók
"UNF" gépi menetfúrók csavart horonnyal
"UNF" gépi menetfúrók egyenes hornyú terelőéllel
"UNC" gépi menetfúrók
"UNC" gépi menetfúrók csavart horonnyal
"UNC" gépi menetfúrók egyenes hornyú terelőéllel
Kézi menetfúrók
"M" kézi menetfúrók
"G" kézi menetfúrók
Menetformázó
Menetmetszők
Metrikus menetmetszők
Normál metrikus menetmetszők M1-M10
Normál metrikus menetmetszők M11 - M52
Balos metrikus menetmetszők M1-M10
Balos metrikus menetmetszők M11-M42
Finom menetes metrikus menetmetszők MF24-IG
Finom menetes metrikus menetmetszők MF25-MF52
G (csőmenet) menetmetszők
Menetelő készletek
Menetszerszám hajtóvas
Esztergálás
Forrasztott lapkás esztergakések
ISO 1 Egyenes esztergakés
ISO 2 Hajlított esztergakés
ISO 5 Homlokélű esztergakés
ISO 6 Oldalélű esztergakés
ISO 7 Szúró esztergakés
ISO 9 Furatkés zsákfurathoz
ISO 13 Külső menetmegmunkáló esztergakés
ISO 14 Furat-menetmegmunkáló esztergakés
Gyorsacél kések
Gyorsacél betétkés négyzetes HSS, h14 Poldi
Gyorsacél betétkés négyzetes HSS-E-Co10, h13, POLDI
Gyorsacél betétkés téglalap HSS, h14 Poldi
Gyorsacél betétkés téglalap HSS-E-Co10, h13 POLDI
Gyorsacél betétkés trapéz HSS, h11 Poldi
Gyorsacél betétkés trapéz HSS Co10 - 65 HRc, h11 Poldi
Váltólapkás esztergakések és lapkák
Váltólapkás esztergakések
Furatkés
Hajlított esztergakés
Leszúró esztergakés
Oldalélű esztergakés
Esztergalapkák
Váltólapkás esztergakés készletek
Marás
Hosszlyukmarók
Hosszlyukmarók HSS-Co8, rövid
Hosszlyukmarók HSS-Co8, hosszú
Hosszlyukmarók HSS-Co8 TiAlN
Hosszlyukmarók, keményfém
Ujjmarók
Ujjmarók, HSSCo, normál hosszú
Ujjmarók, keményfém, normál hosszú
Ujjmarók, HSSCo, hosszú
Tárcsamarók
Marók kúpos szárral
Kúposszárú ujjmaró, 4-8 élű, DIN845K, 35°, HSS-E-Co5
Kúposszárú, ujjmaró hosszú, 4-8 élű, DIN845L, 35°, HSS-E-Co5
Fűrészelés
Lyukfűrészek, körkivágók
Sandflex® Bi-metal lyukfűrész
KEMÉNYFÉM LYUKFŰRÉSZEK
Körfűrészek
Körfűrészek 13 mm-es furattal
Körfűrészek 16 mm-es furattal
Körfűrészek 22 mm-es furattal
Körfűrészek 27 mm-es furattal
Körfűrészek 32 mm-es furattal
Körfűrészek 40 mm-es furattal
Lyukfűrész készletek
Befogók és központfúrók lyukfűrészekhez
Szalagfűrészek
Wikus szalagfűrészek
Wikus - Primar® M42 Szabványos bimetál szalagfűrészlapok, amelyek univerzálisan használhatók kis és közepes munkadarabokhoz
Wikus - MARATHON® M42 nagy teljesítményű bimetál szalagfűrészlapok közepes és nagy, tömör munkadarabokhoz
Bahco szalagfűrészek
Gépi fűrészlapok
Forrasztástechnika
Forrasztópákák
Fahrenheit forrasztópákák (230V)
Fahrenheit gázpákák
Weller forrasztópákák (230V)
Weller forrasztópákák (24V)
Forrasztóállomások
Fahrenheit forrasztóállomások
Weller forrasztóállomások
Pákahegyek
CT5-sorozat
CT6-sorozat
DX
ET
LT
PT - véső alakú
PT - kerek
XT
Egyéb pákahegyek
Forrasztási segédanyagok
Forrasztási kellékek
Csavarozó szerszámok
Villáskulcsok,csillag-villáskulcsok, racsnis kulcsok, -készletek
Állítható villáskulcs
Csillag-villáskulcsok
Csillag-villáskulcs hajlított Bahco
Senator csillag-villáskulcsok
Kennedy csillag-villáskulcsok
IRIMO Csillag-villáskulcs, metrikus 6-75 -ig
Csillagkulcsok, -készletek
Racsnis csillag-villáskulcsok
Racsnis csillagkulcs, -készletek
Villáskulcsok
Villáskulcs készletek
Racsnis csillag-villáskulcs készletek
Csillag-villáskulcs készletek
Hatszög-, Torx-, és csőkulcsok
Hatszögkulcsok
L-kulcs
L-kulcs készletek
Bahco és Irimo L-kulcs készletek
Bondhus L-kulcs készletek
Egyéb L-kulcs készletek
T-imbuszkulcsok
Torx kulcsok
Csőkulcsok
Dugókulcsok, hajtó- és toldószárak, adapterek
Adapterek
Dugókulcsok
Negyed colos dugókulcsok
Negyed colos hatszög dugókulcsok, normál hossz
Negyed colos hatszög dugókulcsok, hosszú
Negyed colos torx dugókulcsok
Három nyolcados dugókulcsok
Három nyolcados hatszög dugókulcs, normál hossz
Három nyolcados hatszög dugókulcs, hosszú
Fél colos dugókulcsok
Fél colos hatszög dugókulcs, normál hossz
Fél colos 12-szög dugókulcs, normál hossz
Fél colos 12-szög dugókulcs, hosszú
Fél colos E-torx dugókulcs, normál hossz
Három-negyed colos dugókulcs
Három-negyed colos hatszög dugókulcs, normál hossz
Három-negyed colos 12-szög dugókulcs, normál hossz
Átmenő dugókulcsok
Gépi dugókulcsok
Negyed colos gépi dugókulcsok
Fél colos gépi dugókulcsok
Három-negyed colos dugókulcsok
Egyéb gépi dugókulcsok, tartozékok
Dugókulcs készletek
Negyed colos dugókulcs készletek
Új Bahco dugókulcs készletek
Három-nyolcados dugókulcs készletek
Fél colos dugókulcs készletek
Három-negyed colos dugókulcs készletek
Vegyes dugókulcs készletek
Átmenő dugókulcs készletek
Gépi dugókulcs készletek
Rátűző kulcsok
Negyed colos rátűző kulcsok
Fél colos rátűző kulcsok
Rátűzőkulcsok imbuszcsavarokhoz fél colos
Rátűzőkulcsok TORX csavarokhoz fél colos
Rátűzőkulcsok XZN csavarokhoz fél colos
Hajtószárak
Negyed colos hajtószárak
Három-nyolcados hajtószárak
Fél colos hajtószárak
Toldószárak
Kapcsolószekrény kulcsok
Csavarhúzók, -készletek
Csavarhúzó készletek
Nem szigetelt csavarhúzó készletek
Bahco szigeteletlen csavarhúzó készletek
IRIMO szigeteletlen csavarhúzó készletek
KENNEDY és SENATOR szigeteletlen csavarhúzó készletek
Weidmüller szigeteletlen csavarhúzó készletek
WIHA szigeteletlen csavarhúzó készletek
Szigetelt csavarhúzó készletek
Csavarhúzók
Csavarhúzók belső kulcsnyílású csavarokhoz
Dugókulcs-csavarhúzók
BahcoFit dugókulcs-csavarhúzók
Dugókulcs-csavarhúzók hosszú furattal
Flexibilis dugókulcs-csavarhúzók
Irimo dugókulcs-csavarhúzók
Mágneses dugókulcs-csavarhúzók
Egyéb csavarhúzók
Fázisceruza
Lapos csavarhúzók
Nem szigetelt lapos csavarhúzók
Bahco ERGO lapos csavarhúzók
Bahco Precíziós lapos csavarhúzók
BahcoFit lapos csavarhúzók
Irimo lapos csavarhúzók
Wiha lapos csavarhúzók
Szigetelt lapos csavarhúzók
Bahco ERGO szigetelt lapos csavarhúzók
BahcoFit szigetelt lapos csavarhúzók
Irimo szigetelt lapos csavarhúzók
Wiha szigetelt lapos csavarhúzók
PH csavarhúzók
PH0
PH1
PH2
PH3
PH4
PZ csavarhúzók
PZ-0 csavarhúzók
PZ-1 csavarhúzók
PZ-2 csavarhúzók
PZ-3 csavarhúzók
PZ-4 csavarhúzók
T-nyelű csavarhúzók
TORQ-SET® biztonsági csavarhúzók
TORX csavarhúzók
Bahco ERGO TORX csavarhúzók
BahcoFit TORX csavarhúzók
Irimo Torx csavarhúzók
Wiha TORX csavarhúzók
TRI-WING® biztonsági csavarhúzók
Robertson négyszögletes csavarhúzók
Üthető csavarhúzók
Üthető lapos csavarhúzók
Üthető PH csavarhúzók
Racsnis csavarhúzók, - készletek
Bitek, bitkészletek, bittartók
Bitek
10 mm-es bitek
10 mm-es hatszög bitek
10 mm-es négyszög bitek
10 mm-es XZN bitek
10 mm-es TORX bitek
Adapterek 10 mm-es bitekhez
Negyed colos bitek
bitkészletek
Hagyományos bitkészletek
Ütvecsavarozó vagy üthető bitek
Bittartók
Körmöskulcsok
Megfogó, vágó-, sorjázó- és ütőszerszámok
Csővágó, -hajlító szerszámok
Feszítő-, emelő vasak, kárpitleszedők
Fogók
Fogó készletek
Kábelvágók
Kerek-, Félkerek-csőrű fogók
Krimpelő szerszámok
Lapos fogók
Mini fogók
Seeger gyűrű fogók
Belső gyűrűkhöz
Külső gyűrűkhöz
Seeger fogók külső-belső gyűrűkhöz, cserélhető hegyekkel
Kombináltfogók
Szigeteletlen kombinált fogók
Szigeteletlen kombinált fogó - 160 mm
Szigeteletlen kombinált fogó - 180 mm
Szigeteletlen kombinált fogó - 200 mm
Szigetelt kombinált fogók
Vízpumpafogók
Bahco és Irimo vízpumpa fogó
KNIPEX Vízpumpa fogó
Wiha Vízpumpafogó
Telefon fogók
Szigeteletlen telefonfogók
Szigeteletlen egyenes telefonfogók
Szigeteletlen telefonfogók, hajlított
Szigetelt telefonfogók
Kábelcsupaszítók
Csípőfogók
Finomelektronikai oldalcsípő
Bahco finomelektronikai oldalcsípők
Wiha finomelektronikai oldalcsípők
Lindström finomelektronikai oldalcsípők
Wetec finomelektronikai oldalcsípők
Szigeteletlen oldalcsípő
Szigetelt oldalcsipőfogó
Erő- és csapszegvágók
Csőfogók
Rögzítő fogók
Harapófogó
NOGA sorjázó szerszámok
"N"( befogási átmérő: 2,6 mm) sorjázók
"N" pengék
"N" pengék markolattal, pengefoglalattal együtt, készletben
Markolatok és pengefoglalat "N" pengékhez
"S" (befogási átmérő: 3,2 mm) sorjázók
"S" pengék
"S" pengék markolattal, pengefoglalattal együtt, készletben
Markolatok és pengefoglalat "S" pengékhez
Kaparók
Kaparó pengék
Kaparó pengék, markolatok, pengefoglalatok együtt, készletben
Markolatok és pengefoglalatok kaparó pengékhez
Kétoldalas sorjázók
Kétoldalas pengék
Markolatok, pengefoglalatok, készletek kétoldalas sorjázáshoz
Süllyesztők
Markolatok és pengefoglalatok süllyesztő pengékhez
Süllyesztő pengék
Süllyesztő pengék, markolatok és pengefoglalatok együtt, készletben
Szegecselő szerszámok
Kézi szorítók
Csipeszek
Lindström precíziós csipeszek
Gazdaságos és ált. célú csipeszek
Nagy pontosságú csipeszek
Egyéb csipeszek
Ollók, metsző ollók
Villanyszerelő ollók
Lemezollók
Bahco lemezollók
Irimo lemezollók
Kennedy lemezollók
Metszőollók
Vésők, lyukasztók, pontozók
Vésők kézvédő markolattal
Favésők
Véső készletek
Csapszegkiütők
Pontozók, lyukasztók
Kések, festékkaparók
Festékkaparók
Kések
Villanyszerelő kések
Kalapácsok
Lakatos kalapácsok
Lakatos kalapács fanyéllel
Lakatos kalapács üvegszálas nyéllel
Ácskalapács
Műanyag kalapácsok
Visszaütésmentes kalapács
Mérnökkalapács
Gumikalapácsok
Csapágylehúzók
Mérőeszközök
Idomszerek
Dugós idomszerek, beállító gyűrűk
Dugós idomszerek
Dugós idomszer készletek
Beállító gyűrűk
Menetes idomszerek
G - csőmenetekhez
Egyoldalas dugós menetidomszer "MEGY" G 1 1
4 -től G 3 -ig
Egyoldalas dugós menetidomszer "NEM MEGY" G 1 1
4 -től G 3 -ig
Gyűrűs menetidomszerek " NEM MEGY" oldal G 1
16-tól G3 -ig
Gyűrűs menetidomszerek "MEGY" oldal G 1
16-tól G3 -ig
Kétoldalas dugós menetidomszer G 1
16 -től G 1 1
8 -ig
Kétoldalas dugós menetidomszer G 1/16 -től G 1 1/8 -ig
Egyoldalas dugós menetidomszer "MEGY" G 1 1/4 -től G 3 -ig
Egyoldalas dugós menetidomszer "NEM MEGY" G 1 1/4 -től G 3 -ig
Gyűrűs menetidomszerek "MEGY" oldal G 1/16-tól G3 -ig
Gyűrűs menetidomszerek " NEM MEGY" oldal G 1/16-tól G3 -ig
Metrikus menetekhez
Dugós menetidomszerek metrikus menetekhez
Dugós menetidomszerek metrikus finommenetekhez
Dugós menetidomszerek 0,35 menetemelkedésú finommenetekhez
Dugós menetidomszerek 0,5 menetemelkedésú finommenetekhez
Dugós menetidomszerek 0,75 menetemelkedésú finommenetekhez
Dugós menetidomszerek 1,00 menetemelkedésú finommenetekhez
Dugós menetidomszerek 1,25 menetemelkedésú finommenetekhez
Dugós menetidomszerek 1,50 menetemelkedésú finommenetekhez
Dugós menetidomszerek 2,00 menetemelkedésú finommenetekhez
Dugós menetidomszerek 3,00 menetemelkedésú finommenetekhez
Dugós menetidomszer készletek metrikus menetekhez
Gyűrűs idomszerek metrikus menetekhez
Gyűrűs idomszerek metrikus normál menetekhez
Gyűrűs idomszerek metrikus normál menetekhez "Megy" oldal
Gyűrűs idomszerek metrikus normál menetekhez "Nem megy" oldal
Gyűrűs idomszerek metrikus finom menetekhez
Gyűrűs idomszerek metrikus finom menetekhez "Megy" oldal
Menetemelkedés 0,35
Menetemelkedés 0,50
Menetemelkedés 0,75
Menetemelkedés 1,00
Menetemelkedés 1,25
Menetemelkedés 1,50
Menetemelkedés 2,00
Menetemelkedés 3,00
Gyűrűs idomszerek metrikus finom menetekhez "NEM Megy" oldal
Menetemelkedés 0,35
Menetemelkedés 0,50
Menetemelkedés 0,75
Menetemelkedés 1,00
Menetemelkedés 1,25
Menetemelkedés 1,50
Menetemelkedés 2,00
Menetemelkedés 3,00
Gyűrűs idomszer készletek metrikus menetekhez
NPT menetekhez
Dugós menetidomszer, NPT
Gyűrűs menetidomszer, NPT
NPTF menetekhez
Dugós menetidomszer, NPTF
Gyűrűs menetidomszer, NPTF
UNC menetekhez
Kétoldalas dugós menetidomszer UNC
Gyűrűs menetidomszer "MEGY" UNC BS 919 2A
Gyűrűs menetidomszer "NEM MEGY" UNC BS 919 2A
UNF menetekhez
Kétoldalas dugós menetidomszer UNF
Gyűrűs menetidomszer "MEGY" UNF BS 919 2A
Gyűrűs menetidomszer "NEM MEGY" UNF BS 919 2A
Mérőeszköz készletek
Mérőhasábok, mérőcsapok, párhuzam készletek
Mérőcsapok
Mérőcsapok darabonként
±0,001 mm pontosságú mérőcsap készletek
±0,002 mm pontosságú mérőcsap készletek
±0,004 mm pontosságú mérőcsap készletek
Mérőcsap tartók
Mérőhasáb készletek
Acél mérőhasáb készletek
Acél mérőhasáb készletek, "0" pontossági osztály
Acél mérőhasáb készletek, "1" pontossági osztály
Acél mérőhasáb készletek, "2" pontossági osztály
Keményfém mérőhasáb készletek
Keményfém mérőhasáb készletek, "0" pontossági osztály
Keményfém mérőhasáb készletek, "1" pontossági osztály
Kerámia mérőhasáb készletek
Mérőeszköz kalibráló mérőhasáb készletek
Tolómérő kalibráló készletek
Mikrométer kalibráló készletek
Egyéb kalibráló készletek
Mérőhasábok
Acél mérőhasábok 0,5 - 2 mm-ig DIN-ISO 3650 1. tűrési osztály
Acél mérőhasábok 2,5 - 25 mm-ig DIN-ISO 3650 1. tűrési osztály
Acél mérőhasábok 30 - 100 mm-ig DIN-ISO 3650 1. tűrési osztály
Acél mérőhasábok 41,3-1000 mm-ig DIN-ISO 3650, 1. tűrési osztály
Párhuzam vizsgálat
Mérőhasáb tartók
Szögmérők, szintezők, dőlésmérők
Szintezők
Hagyományos vízmértékek
Digitális vízmértékek
Gépbeállító vízmértékek, digitális szintezők
Egyéb szintezők
Szögmérők
Dőlésmérők
Tolómérők
SCALA könnyített nagy méretű tolómérők
Tolómérők horony méréséhez
Analóg tolómérők
Hagyományos tolómérők
0-150 mm-ig
0-250 mm-ig
0-300mm-IG
0-500mm-IG
0-800mm-IG
0-1000mm-IG
1000 mm felett
Jelölő tolómérők
Speciális analóg tolómérők
Digitális tolómérők
Hagyományos digitális tolómérők
0-150mm-IG
0-200mm-IG
0-300mm-IG
0-600mm-IG
0-1000mm-IG
IP védett digitális tolómérők
0-150mm-IG
0-200mm-IG
0-300mm-IG
0-600 mm
600 mm felett
Lábkapcsolós kábelek, adatgyűjtők
Speciális digitális tolómérők
Órás tolómérők
Órás tolómérő 150 mm
Órás tolómérő 200 mm
Órás tolómérő 300 mm
Mélységmérők
Analóg
Digitális mélységmérők
Hagyományos digitális mélységmérők
IP védett digitális mélységmérők
Mikrométerek, furatmérők
Analóg mikrométerek
0-25 mm-IG
25-50mm-IG
50-75mm-IG
75-100mm-IG
100-200mm-IG
200mm-TŐL
Beépíthető analóg mikrométerek
Speciális analóg mikrométerek
Mikrométer beállító etalon
Analóg mikrométer készletek
Digitális mikrométerek
0-25 mm-IG
25-50mm-IG
50-75mm-IG
75-100mm-IG
100 -150mmIG
Beépíthető digitális mikrométerek
Laser Scan mikrométer
Speciális digitális mikrométerek
Tartozékok mikrométerhez
Digitális mikrométer készletek
Furatmérő mikrométerek
2-ponton mérő belső mikrométerek
3-ponton mérő belső mikrométerek
3-ponton mérő belső analóg mikrométerek
3-ponton mérő belső analóg mikrométerek 6-20mm-ig
3-ponton mérő belső analóg mikrométerek 20-50mm-ig
3-ponton mérő belső analóg mikrométerek 50-100mm-ig
3-ponton mérő belső analóg mikrométerek 100 mm felett
3-ponton mérő belső digitális mikrométerek
3-ponton mérő belső digitális mikrométerek 6-20mm-ig
3-ponton mérő belső digitális mikrométerek 20-50mm-ig
3-ponton mérő belső digitális mikrométerek 50-100mm-ig
3-ponton mérő belső digitális mikrométerek 100 mm felett
Furatmérő mikrométerek mérőórával
Furatmérő mikrométer készletek
Analóg furatmérő mikrométer készletek
Digitális furatmérő mikrométer készletek
Mikrométer állványok
Elmozdulásmérők
Mérőórák, állványok, furat intók, vastagságmérők
Analóg mérőórák
Asimeto analóg mérőórák
Käfer analóg mérőórák
Mahr analóg mérőórák
MIB analóg mérőórák
Mitutoyo analóg mérőórák
Digitális mérőórák
ASIMETO digitális mérőórák
Käfer digitális mérőórák
MAHR digitális mérőórák
MIB digitális mérőórák
MIB digitális mérőórák, méréstartomány: 0-12,7 mm
MIB digitális mérőórák, méréstartomány: 0-25,4 mm
MIB digitális mérőórák, méréstartomány: 0-50 mm
MIB digitális mérőórák, egyéb
MITUTOYO digitális mérőórák
MITUTOYO digitális mérőórák, tartomány: 12,7 mm
MITUTOYO digitális mérőórák, tartomány: 25,4 mm
MITUTOYO digitális mérőórák, tartomány: 50,8 mm
MITUTOYO digitális mérőórák, tartomány: egyéb
Kábelek és tartozékok digitális mérőórához
Intók, tapintókaros mérőórák
Mérőóra állványok, prizmák
Asimeto mérőóra állványok
Käfer mérőóra állvány
Mahr csuklós mérőóra állványok
MIB mérőóra állványok
Mitutoyo mérőóraállványok
NOGA mérőóra állványok
Prizmák
Mágneses prizmák
Nem mágneses prizmák
Mérőóraállvány talp
Szögtapintós mérőórák
Asimeto szögtapintós mérőórák
Käfer szögtapintós mérőórák
Mahr szögtapintós mérőórák
MIB szögtapintós mérőórák
Mitutoyo szögtapintós mérőórák
Vastagságmérők
Vastagságmérők 0-10mm
Vastagságmérők 0-20mm
Vastagságmérő kalibrálás
Tartalék és különleges tapintók mérőórákhoz és finomkijelzőkhöz
Mérőóra hosszabbító szárak
Derékszögek, körzők, rajztűk
Derékszögek
Asztalos derékszögek
Lakatos derékszögek
Lapos lakatos derékszögek
DIN 875-1
DIN 875-2
Talpas lakatos derékszögek
DIN 875-1
DIN 875-2
Precíziós derékszögek
Lapos precíziós derékszögek
DIN 875-0
DIN 875-1
Talpas precíziós derékszögek
DIN 875-0
DIN 875-1
Szög- és élderékszögek
Szögek- derékszögek, szögmásolók
Élderékszögek
Központozó derékszögek
Kombinált derékszögek
Körzők
Műhelykörzők
Asimeto műhelykörzők
MIB műhelykörzők
Asimeto tapintókörzők
Precíziós rugós körzők
Asimeto rugós körzők
MIB rugós körzők
Asimeto rugós tapintókörzők
Rajztűk
Magasságmérők
Analóg
Digitális
Mérőszalagok, vonalzók, mérőékek
Mérőékek
Mérőszalagok
2 méteres mérőszalagok
3 méteres mérőszalagok
5 méteres mérőszalagok
8 méteres mérőszalagok
10 méteres mérőszalagok
Mérőszalagok 20 m-től
Kerületmérő mérőszalagok
Összecsukható fa vonalzók
Párhuzam jelölők
Vonalzók, élvonalzók
Vonalzók
Élvonalzók
Mérlegek, sablonok, műszerek
Egyéb műszerek
Erőmérők
Feszültség detektorok, kábeltesztelők, érpárkeresők
Hőmérők
Keménységmérők, keménység etalonok
Lakatfogók
Mérlegek
Multiméterek
Sablonok, etalonok
Hézagmérő sablonok
Rádiusz sablonok, huzal átmérő ellenőrzők
Forgácsolási ellenőrző sablonok
Hegesztési sablonok
Érdességmérő sablonok
Mikroszkóp, nagy mérőműszer
Endoszkópok
Érdességmérők
Mérőprojektorok
Mikroszkópok
Nagy keménységmérők
Nagyítók
Rétegvastagságmérők
Tapintó készletek és rögzítő rendszerek, éltapintók
Útmérők
Mérőeszköz informatika, tartozék
Mérőasztal, gránitlap
Műhelyfelszerelések, műhelyberendezések
Lámpák
Zseblámpák
Fejlámpák
Szerelő lámpák
Reflektorok
Munkalámpák
Mágneses eszközök, teleszkópos vizsgáló tükrök, csavarkiszedők
Munkapadok, székek, szállító eszközök
Gépek
BAHCO Egyéb műhelyfelszerelések
Cleancraft - Tisztítástechnika
HIKOKI akkus, elektromos és levegős szerszámgépek
Akkumulátoros gépek, akkuk és töltők
18 V-os Akkus fúró- csavarozó
18 V-os Akkus sarokcsiszoló
18 V-os Akkus fűrészek
Egyéb 18 V-os akkus gépek
18V-os akkuk és töltők
Hálózati gépek
Elektromos sarokcsiszolók
SDS-plus befogású fúrókalapácsok
Fúrógépek
SDSMAX Fúrókalapácsok
Ütvefúrók
Véső, bontókalapácsok
Fűrészek
Csiszolók, Polírozó
Porszívók
Egyéb hálózati gépek
HIKOKI levegős szerszámgépek
Holzstar - Famegmunkálás
Levegős szerszámok
Bahco - levegős szerszámok, tartozékok
KOBE - levegős szerszámok, tartozékok
CARGUARD légfúvó-, festékszóró-, homokfúvó pisztolyok
Irimo levegős gépek, tartozékok
AIRCRAFT - pneumatika
Fúvó-, szóró-, tömítő pisztolyok
Egyéb pisztolyok, készletek
Lefuvató pisztolyok
Szórópisztolyok
Kompresszorok
Sűrített levegős csatlakozók, tömlők, készletek
Sűrített levegős szerszámok és tartozékaik
Egyéb sűrített levegős szerszámok, készletek
Sűrített levegős csavarozó szerszámok, -készletek
Sűrített levegős csiszoló szerszámok és tartozékaik
Tömlődobok, kábelfelcsévélők
Cleco -Ipari sűrített levegős ütvecsavarozók
Cleco CWM sorozat, fém házas, levegős ütvecsavarozó
Cleco CV sorozat, műanyag házas levegős ütvecsavarozó
Cleco CWC sorozat, kompozit házas levegős ütvecsavarozó
METALLKRAFT - fémipari gépek
Hajlító- és hengerítőgépek
MB mágnestalpas magfúrógépek és kiegészítőik
Perem sorjázók, szalagcsiszológépek
Tárcsás darabológép, szalagfűrészgépek
Steinel hőlégfúvók
Hőlégfúvók
Steinel régi sorozatú, kifutó hőlégfúvók
Steinel hőlégfúvók HM sorozat
Steinel CAS akkus hőlégfúvók
Fúvókák és egyéb tartozékok
Hőlégfúvók tartozékai (standard fúvókák, 34 mm)
Tartozékok rögzíthető fúvókás hőlégfúvókhoz
Egyéb tartozékok
Fogyóeszközök
STEINEL ragasztástechnika
Akkus ragasztópisztolyok
Ragasztópisztolyok
Ragasztópisztoly fúvókák
Ragasztórudak
Ragasztórudak Ø11 mm
Ragasztórudak Ø7 mm
Alacsony olvadáspontú ragasztórudak Ø7 mm
Weidmüller vezeték nélküli szerszámok
Handy elektromos gépek
OPTIMUM szerszámgépek
Egyéb gépek, tartozékok, kiegészítők
Esztergagépek
Fúrógépek
Köszörű- és csiszológépek
Szalagfűrészgépek, anyagtovábbító állványok
UNICRAFT - műhelyfelszerelés
Áramfejlesztők
Egyéb műhelyfelszerelések
Emelők, szállító eszközök
Eszközök homokfúváshoz, alkatrészmosók
Elektromos tartozékok, egyéb tartozékok
CRC Ipari karbantartó anyagok
LOC-LINE hűtőcső rendszer
LOC-LINE hűtőcső rendszer
Negyed collos rendszer
Fél collos rendszer
Három-negyed collos rendszer
Szerelőfogók LOC-LINE rendszerhez
Emelőeszközök, géptalpak, láncok
EGANA - géptalpak
Egana géptalp, CAM sorozat
Egana géptalp, elasztikus támaszték
Egana géptalp, poliuretán talppal
Egana géptalp, rozsdamentes,
Krokodil emelők, tartóbakok
Olajemelők
TECNA balanszerek
TECNA balanszer - kábel: 1600 mm
TECNA balanszer - kábel: 2000 mm
TECNA balanszer - kábel: 2500 mm
TECNA balanszer - kábel: 3000 mm
Tisztítókendők
Nyomaték szerszámok
CLECO CellClutch akkus, kuplungos nyomaték csavarbehajtók
Akkus sarokcsavarozó
Akkus pisztolymarkolatú csavarozó
CLECO CellCore akkus nyomaték-csavarbehajtók
Akkus sarokcsavarozó
Akkus pisztolymarkolatú csavarozó
Tartozékok CLECO akkus csavarozókhoz
Nyomatékkulcsok és rátűzőfejek
Digitális nyomatékkulcs
Digitális nyomatékkulcs fix fejjel
Digitális nyomatékkulcs cserélhető fejjel
Mechanikus nyomatékkulcsok
Negyed colos mechanikus nyomatékkulcsok
Három-nyolcad mechanikus nyomatékkulcsok
Fél colos mechanikus nyomatékkulcsok
Három-negyed colos mechanikus nyomatékkulcsok
1" mechanikus nyomatékkulcsok
Nyomatékkulcs alapszerszám feltűzhető szerszám nélkül
Nyomatékkulcs alapszerszám feltűzhető szerszám nélkül, 9x12mm csatlakozással
Nyomatékkulcs alapszerszám feltűzhető szerszám nélkül, 14x18mm csatlakozással
Rátűzőfejek nyomatékkulcshoz
Irányváltós, racsnis, kerek feltűzőfejek
Irányváltós-, racsnis-, rátűzőfej átkapcsolható kioldóval
Rátűzőfejek, mm
Villás rátűzőfejek 9x12mm-es csatlakozással
Villás rátűzőfejek 14x18mm-es csatlakozással
Villás rátűzőfejek 24x32mm-es csatlakozással
Villás rátűzőfejek 27x36mm-es csatlakozással
Csillag rátűzőfejek 9x12mm-es csatlakozással
Csillag rátűzőfejek 14x18mm-es csatlakozással
Csillag rátűzőfejek 24x32mm-es csatlakozással
Csillag rátűzőfejek 27x36mm-es csatlakozással
Nyitott csillag rátűzőfejek 9x12mm-es csatlakozással
Rátűzőfejek, col
Colos villás rátűzőfejek 9x12mm-es csatlakozással
Colos villás rátűzőfejek 14x18mm-es csatlakozással
Colos csillag rátűzőfejek 9x12mm-es csatlakozással
Colos csillag rátűzőfejek 14x18mm-es csatlakozással
Hegeszthető rátűzőfejek, egyedi rátűzők kialakításához
Rátűzőfej adapterek
Nyomatékkulcs akkreditált kalibrálása
Nyomaték többszörözők
Nyomaték- csavarhúzók
Bahco nyomaték-csavarhúzó
Norbar nyomaték-csavarhúzó
Wiha nyomaték-csavarhúzó
Nyomatékmérők
Mért érték jeladók
Nyomaték kijelzők
Szerszámkocsik
Üres szerszámkocsik
Bahco Alap 1472K sorozatú szerszámkocsik E72
Bahco Alap 1472K sorozatú szerszámkocsik E72 - 5 fiókos
Bahco Alap 1472K sorozatú szerszámkocsik E72 - 6 fiókos
Bahco Alap 1472K sorozatú szerszámkocsik E72 - 7 fiókos
Bahco Alap 1472K sorozatú szerszámkocsik E72 - 8 fiókos
1472K kiegészítők, tartozékok
Bahco erősített 1477K sorozatú szerszámkocsik E77
Bahco erősített 1477K sorozatú szerszámkocsik E77 - 6 fiókos
Bahco erősített 1477K sorozatú szerszámkocsik E77 - 7 fiókos
Bahco erősített 1477K sorozatú szerszámkocsik E77 - 8 fiókos
Bahco erősített 1477K sorozatú szerszámkocsik E77 - 9 fiókos
Felső szekrény 4 fiókos erősített - E87
1477K kiegészítők, tartozékok
Bahco könnyített 1475K szerszámkocsik C75
Könnyített 1475K normál széles (26"=677mm) szerszámkocsik
Könnyített 1475K normál széles (26"=677mm) szerszámkocsik - 6 fiókos
Könnyített 1475K normál széles (26"=677mm) szerszámkocsik - 7 fiókos
Könnyített 1475K normál széles (26"=677mm) szerszámkocsik - 8 fiókos
Felső szekrény 4 fiókos könyített - C85-26"
Könnyített 1475K extra széles (40"=1016mm) szerszámkocsik
Könnyített 1475K extra széles (40"=1016mm) szerszámkocsik - 6 fiókos
Könnyített 1475K extra széles (40"=1016mm) szerszámkocsik - 7 fiókos
Könnyített 1475K extra széles (40"=1016mm) szerszámkocsik - 8 fiókos
Könnyített 1475K extra széles (40"=1016mm) szerszámkocsik - 12 fiókos
Könnyített 1475K extra széles (40"=1016mm) szerszámkocsik - 6 fiók + szekrény
Felső szekrény extra széles 4 fiókos könyített - C85-40"
1475K kiegészítők, tartozékok
Irimo szerszámkocsi
Senator, Kennedy szerszámkocsik
Felszerelt szerszámkocsik
Szivacsbetétes szerszámmodulok
Egy harmad méretű
Két harmad méretű
Három harmad (teljes) méretű
Szerszámtáskák, tartók
Szerszámos ládák, alkatrész tárolók, rendszerezők
Fém szerszámos ládák
Műanyag szerszámos ládák
Műanyag tároló dobozok
Rendszerezők
Viselhető szerszám tárolók
Szerszámtáskák, -tartók szerszám nélkül
HIKOKI - HITBOXOK
Weidmüller szerszámtáskák, - mappák
Erős, alumíniumkeretes táskák
CHICAGO szerszámtáska - Hepco
ROBUST szerszámtáska - Hepco
FUTURE szeszámtáska - Hepco
CLASSIC szerszámtáska - Hepco
BUDGET szerszámtáskák - Hepco
BASIC szerszámtáska - Hepco
Polipropilén táskák
SOLID szerszámtáska - Hepco
Polytex táskák, hátizsákok, övtáskák, zipzáras mappák
Handy poliészter táskák
POLYTEXT szerszámtáskák - Hepco
Bahco polytex táskák, tartók
Irimo polytex táskák, tartók
Bőrtáskák
HEPCO FAVORIT bőrtáskák
Bahco bőrtáskák
Egyéb szerszámtartók
WING összecsukható szerszámtartó - Hepco
Easy felgöngyölhető szerszámtartó - Hepco
Szerszámkoffer tartozékok
Hepco & Becker tartozékok 460 mm-es szerszámtáskához
Hepco & Becker tartozékok 470 mm-es szerszámtáskához
Szerszámtáska alkatrészek
Alkatrészek BASIC táskához
Alkatrészek BUDGET táskához
Alkatrészek CLASSIC táskához
Alkatrészek FUTURE táskához
Alkatrészek ROBUST táskához
Szerszámtáskák, -tartók szerszámokkal
Kisméretű táskák, tartók szerszámokkal
Nagyméretű P-BAG táskák szerszámokkal
ProCase táskák szerszámokkal
Gurulós szerszámtáskák és hátizsákok szerszámokkal
Munkavédelem
Ruházat
Kesztyűk
Fejvédelem
Szemvédelem
Légzésvédelem
Hallásvédelem
Kezdőlap
Mérőeszközök
Mérőórák, állványok, furat intók, vastagságmérők
Tartalék és különleges tapintók mérőórákhoz és finomkijelzőkhöz
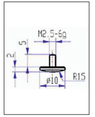
Tapintócsúcs mérőórához, domború 10x2mm M2,5 Asimeto 284-43
2.236 Ft
+ ÁFA ( 2.840 Ft )
Menny.:
Kosárba rakom
Tapintócsúcs mérőórához, domború 10x2mm M2,5 Asimeto 284-43
2.236 Ft
+ ÁFA ( 2.840 Ft )
Menny.:
Kosárba rakom
Cikkszám:
U283702
Gyártó cikkszám:
284-43
Elérhetőség:
4-7 munkanap
Gyártó:
Belépés
Regisztráció
OUTLET %
Fúrók
Menetszerszámok
Marók
Esztergakések, lapkák, befogók és tartozékok
Menetidomszerek
Csiszolás- és vágástechnika
Csavarhúzók
Csillag-villáskulcsok, csillagkulcsok, dugókulcsok
Forrasztástechnika, antisztatikus termékek
Bitek, bittartók
Egyéb termékek
AKTUÁLIS AKCIÓK
Mahrlights Akció 2025 Akciós árak: 2025.09.17. és 2025.12.31. között
Tolómérők, mélységmérők
Mikrométerek
Digitális mérőórák
Szögtapintós mérőórák, analóg mérőórák
Furatmikrométerek, három ponton mérő belső mérőkészülékek
Mechanikus és induktív finomkijelzők
Felületmérő készülékek
Magasságmérők
Hosszmérő padok
Elektromos és pneumatikus hosszmérő készülékek
ASIMETO mérőeszköz akció 2024
Gránit mérőasztalok, dupla prizmapárok
Mélység- és magasságmérők
Mérőhasáb készletek, idomszerek
Mérőórák, mérőóraállványok
Mikrométerek
Műhelytolómérők
Precíziós élderékszögek, szögmérők
Tolómérők
Weidmüller Kéziszerszám akció - Érvényes: 2025. okóber 31-ig
BAHCO Ipari kéziszerszám akció 2025 Érvényes: 2026.03.31-ig
Csavarhúzók
Szerszámkocsik
Kézifűrészek
Nyomatékkulcsok
Kések
Dugókulcs készletek
Csavarozó szerszámok
Festékkaparók, vésőkészlet
Egyéb műhelyfelszerelések
Fogók
Mérőszalagok
Szerszámtáskák, mappák
Körkivágók
MITUTOYO TOP LINE mérőeszköz akció Érvényes: 2025.10.31-ig.
Weidmüller Szerszámakció Érvényes: 2026. január 31-ig
KOBE szerszám akció Érvényes: visszavonásig
SZERSZÁMTÁSKÁK KÉSZLETRŐL
Befogástechnika
Szerszámbefogók
Patronos szerszámbefogók
DIN 69871 SK
DIN 69871 - SK, normál hossz
DIN 69871 - SK, hosszú
DIN 69871 - SK, extra hosszú
JIS B 6339 ( MAS 403 BT )
JIS B 6339 ( MAS 403 BT ), normál hossz
ER patron készletek
Esztergatokmányok és tartozékaik
Esztergatokmányok hátsó rögzítéssel
3-pofás tokmányok
4-pofás tokmányok
Tokmánypofák
Normál pofák
Normál pofakészlet, 3 pofás tokmányhoz
Normál pofakészlet, 4 pofás tokmányhoz
Fordított pofák
Fordított pofakészlet, 3 pofás tokmányhoz
Fordított pofakészlet, 4 pofás tokmányhoz
Puha tokmánypofák
Puha pofakészlet, 3 pofás tokmányhoz
Puha pofakészlet, 4 pofás tokmányhoz
Szerelt puha tokmánypofák
Szerelt puha pofakészlet, 3 pofás tokmányhoz
Szerelt puha pofakészlet, 4 pofás tokmányhoz
Puhapofa alaptest
Puhapofa alaptest készlet, 3 pofás tokmányhoz
Puhapofa alaptest készlet, 4 pofás tokmányhoz
Szerelt tokmánypofához puhapofa (1 db)
Tokmányfelfogó tárcsák TOS IUS tokmányokhoz
Esztergatokmány felfogótárcsa Tos-IUS 243830 "A" tip. DIN 55026
Esztergatokmány felfogótárcsa Tos-IUS 243830 "B" tip. DIN 55027.
Esztergatokmány felfogótárcsa Tos-IUS 243830 "D" tip. DIN 55029.
Meghajtósprirál TOS-IUS tokmányhoz
Tokmány dió (1 db) IUS tokmányhoz
Tokmánykulcs
Esztergatokmányok átmenő rögzítéssel
3 - pofás tokmányok
4 - pofás tokmányok
Tokmánypofák
Normál pofák
Normál pofakészlet, 3 pofás tokmányhoz
Normál pofakészlet, 4 pofás tokmányhoz
Fordított pofák
Fordított pofakészlet, 3 pofás tokmányhoz
Fordított pofakészlet, 4 pofás tokmányhoz
Puha tokmánypofák
Puha pofakészlet, 3 pofás tokmányhoz
Puha pofakészlet, 4 pofás tokmányhoz
Szerelt puha tokmánypofák
Szerelt puha pofakészlet, 3 pofás tokmányhoz
Szerelt puha pofakészlet, 4 pofás tokmányhoz
Puhapofa alaptest
Puhapofa alaptest készlet, 3 pofás tokmányhoz
Puhapofa alaptest készlet, 4 pofás tokmányhoz
Szerelt tokmánypofához puhapofa (1 db)
Meghajtósprirál TOS-IUG, -IUGO tokmányhoz
Tokmány dió (1 db) IUG, IUGO tokmányhoz
Tokmánykulcsok
Acélházas, pontossági tokmányok
3-pofás acélházas tokmányok
4-pofás acélházas tokmányok
Tokmánypofák IUGO tokmányhoz
Normál pofák IUGO tokmányhoz
Nagy pontosságú normál pofa 3-pofás IUGO tokmányokhoz
Nagy pontosságú normál pofa 4-pofás IUGO tokmányokhoz
Fordított pofák IUGO tokmányhoz
Nagy pontosságú fordított pofa 3-pofás IUGO tokmányokhoz
Nagy pontosságú fordított pofa 4-pofás IUGO tokmányokhoz
Puha tokmánypofák
Puha pofakészlet, 3 pofás tokmányhoz
Puha pofakészlet, 4 pofás tokmányhoz
Szerelt puha tokmánypofák
Szerelt puha pofakészlet, 3 pofás tokmányhoz
Szerelt puha pofakészlet, 4 pofás tokmányhoz
Puhapofa alaptest
Puhapofa alaptest készlet, 3 pofás tokmányhoz
Puhapofa alaptest készlet, 4 pofás tokmányhoz
Szerelt tokmánypofához puhapofa (1 db)
Meghajtósprirál TOS-IUG, -IUGO tokmányhoz
Tokmány dió (1 db) IUG, IUGO tokmányhoz
Tokmánykulcsok
Fúrótokmányok
Kulcsos fúrótokmányok
Kézi szorítású fúrótokmányok
Felfogótüske fúrótokmányhoz
Álló- és forgócsúcsok
Állócsúcsok
Forgócsúcsok
Forgócsúcs 60°
Forgócsúcs 60°, hosszított
Forgócsúcsok cserélhető betétekkel
Satuk
Fúrógépsatuk
Műhelysatuk
Gépsatuk
Műszerész satuk
Mágneses satupofák
Gyorsszorítók, leszorítók
Függőleges ipari gyorsszorítók
Vízszintes ipari gyorsszorítók
Horgas (húzó) gyorsszorítók
Ipari gyorsszorítók, húzó-nyomó
Leszorítók, -készletek
Csiszolás- és vágástechnika
Csiszolóvászon, -papír, lamellás-, csapos csiszolók
Gyémánt paszták
Reszelők
Műhelyreszelők nyél nélkül
Műhelyreszelők nyéllel
Reszelő készletek
Kerek reszelő, nyelezett
Négyszög reszelő, nyelezett
Félkerek reszelő, nyelezett
Háromszög reszelő, nyelezett
Lapos reszelő, nyelezett
Tűreszelők
Ráspolyok
Keményfém turbómarók
Hengeres - Homlokfogazással
Hengeres - Homlokfogazás nélkül
Hengeres - Gömbvégű
Ívelt - Gömbvégű
Lángnyelv alakú
Ívelt - Hegyes végű
Gömb alakú
Kúpos
Turbómaró készletek
Vágókorongok
CUTTING-MASTER vékony vágókorongok szerkezeti acélhoz és inoxhoz
GRANIFLEX PLUSSZ vágókorongok inoxhoz
GRANIFLEX PLUSSZ vágókorongok kőzetekhez
GRANIFLEX PLUSSZ vágókorongok szerkezeti acélhoz
Ø 115 mm vágókorongok szerkezeti acélhoz
Ø 125 mm vágókorongok szerkezeti acélhoz
Ø 150 mm vágókorongok szerkezeti acélhoz
Ø 180 mm vágókorongok szerkezeti acélhoz
Vágókorongok szerkezeti acélhoz Ø 230 mm-től
York - Inox vágókorongok
Tisztítókorongok
GRANIFLEX PLUSSZ tisztítókorongok szerkezeti acélhoz
Granit lamellás csiszolótárcsák
Cirkon szemcsés csiszolótárcsák acélhoz és inoxhoz
Normálkorund szemcsés csiszolótárcsák acélhoz és fához
Kefék
Kézifűrészek és tartozékaik
Faipari kézifűrészek
Fém kézifűrészek
Kézifűrészek építőipari anyagokhoz
Fűrészlapok, tartalék pengék
Tartozékok kézifűrészekhez
Köszörűkorongok, korongszabályzók
6A jelű nemeskorund köszörűkorong, piros
1C jelű szilícium karbid köszörűkorong, szürke
Korongszabályzók
Forgácsoló szerszámok
Fúrás
Fúrók
Hengeres szárú fúrók
Normál hosszú hengeres szárú fúrók
Hosszú hengeres szárú fúrók HSSCo 0,9-16 mm-ig
Extra hosszú hengeres szárú fúrók HSSCo 2-13 mm-ig
Keményfémlapkás hengeres szárú csigafúrók
HSS kovácsfúrók hengeres szárral
Kúpos szárú csigafúrók
HSS kúpos szárú csigafúrók
MK1 kúpos szárú csigafúró 5 mm-14 mm HSS
MK2 kúpos szárú csigafúró 14,25 mm-23 mm HSS
MK3 kúpos szárú csigafúró 23,5 mm - 31,5 mm HSS
MK4 kúpos szárú csigafúró 32 mm - 50 mm HSS
HSSCo kúpos szárú csigafúrók
MK1 kúpos szárú csigafúró 5mm-14mm HSSCo 221143 StimZet
MK2 kúpos szárú csigafúró 14.25mm-23mm HSSCo 221143 StimZet
MK3 kúpos szárú csigafúró 23.5mm-31.5mm HSSCo 221143 StimZet
MK4 kúpos szárú csigafúró 32mm-50mm HSSCo 221143 StimZet
HSS hosszú és extra hosszú kúpos szárú csigafúrók
MK1 kúpos szárú hosszú, extra hosszú csigafúrók 8 mm-14 mm HSS
MK2 kúpos szárú hosszú, extra hosszú csigafúrók 14,5 mm-23 mm HSS
MK3 kúpos szárú hosszú, extra hosszú csigafúrók 23,5 mm-31 mm HSS
MK4 kúpos szárú hosszú, extra hosszú csigafúrók 32 mm-50 mm HSS
Hengeres szárú csigafúró készletek
HSS csigafúrók, lépcsős, csavarfej süllyesztéssel
HSS csigafúró, lépcsős, csavarfej süllyesztéssel, 180°
HSS csigafúró, lépcsős, csavarfej süllyesztéssel, 90°
HSS csigafúró, lépcsős, csavarfej süllyesztéssel, magfurat fúrással, 90°
Központfúrók, NC központozók
Központfúrók 60°, normál hossz
Központfúrók 60°, extra hossz
NC központozó fúró 90°-os
NC központozó fúró 120°-os
Lépcsős lemezfúrók
Kúpsüllyesztők
Dörzsárak
Hengeres szárú kézi dörzsár HSS H7
Hengeres szárú gépi dörzsár HSS H7
Kúpos szárú gépi dörzsár, spirál fogakkal HSS 5 H7- 32 H7-ig
Kúpos szárú gépi dörzsár egyenes fogakkal 6-32 mm H7
Feltűzhető gépi dörzsárak
Feltűzőszárak és szárgyűrűk dörzsárakhoz
Hengeres süllyesztő
Koronafúrók, magfúrók
Menetmegmunkálás
Menetfúrók
Gépi menetfúrók
"M" gépi menetfúrók
Gépi menetfúró metrikus csavart hornyú
Gépi menetfúró metrikus egyenes hornyú
Gépi menetfúró metrikus terelőéles
"M" gépi anyamenetfúrók
"MF" gépi menetfúrók
MF gépi menetfúrók MF3 - MF12
MF gépi menetfúrók MF13 - MF24
MF gépi menetfúrók MF25 - MF36
"G" gépi menetfúrók
"G" gépi menetfúrók egyenes horonnyal
"G" gépi menetfúrók csavart horonnyal
"UNF" gépi menetfúrók
"UNF" gépi menetfúrók csavart horonnyal
"UNF" gépi menetfúrók egyenes hornyú terelőéllel
"UNC" gépi menetfúrók
"UNC" gépi menetfúrók csavart horonnyal
"UNC" gépi menetfúrók egyenes hornyú terelőéllel
Kézi menetfúrók
"M" kézi menetfúrók
"G" kézi menetfúrók
Menetformázó
Menetmetszők
Metrikus menetmetszők
Normál metrikus menetmetszők M1-M10
Normál metrikus menetmetszők M11 - M52
Balos metrikus menetmetszők M1-M10
Balos metrikus menetmetszők M11-M42
Finom menetes metrikus menetmetszők MF24-IG
Finom menetes metrikus menetmetszők MF25-MF52
G (csőmenet) menetmetszők
Menetelő készletek
Menetszerszám hajtóvas
Esztergálás
Forrasztott lapkás esztergakések
ISO 1 Egyenes esztergakés
ISO 2 Hajlított esztergakés
ISO 5 Homlokélű esztergakés
ISO 6 Oldalélű esztergakés
ISO 7 Szúró esztergakés
ISO 9 Furatkés zsákfurathoz
ISO 13 Külső menetmegmunkáló esztergakés
ISO 14 Furat-menetmegmunkáló esztergakés
Gyorsacél kések
Gyorsacél betétkés négyzetes HSS, h14 Poldi
Gyorsacél betétkés négyzetes HSS-E-Co10, h13, POLDI
Gyorsacél betétkés téglalap HSS, h14 Poldi
Gyorsacél betétkés téglalap HSS-E-Co10, h13 POLDI
Gyorsacél betétkés trapéz HSS, h11 Poldi
Gyorsacél betétkés trapéz HSS Co10 - 65 HRc, h11 Poldi
Váltólapkás esztergakések és lapkák
Váltólapkás esztergakések
Furatkés
Hajlított esztergakés
Leszúró esztergakés
Oldalélű esztergakés
Esztergalapkák
Váltólapkás esztergakés készletek
Marás
Hosszlyukmarók
Hosszlyukmarók HSS-Co8, rövid
Hosszlyukmarók HSS-Co8, hosszú
Hosszlyukmarók HSS-Co8 TiAlN
Hosszlyukmarók, keményfém
Ujjmarók
Ujjmarók, HSSCo, normál hosszú
Ujjmarók, keményfém, normál hosszú
Ujjmarók, HSSCo, hosszú
Tárcsamarók
Marók kúpos szárral
Kúposszárú ujjmaró, 4-8 élű, DIN845K, 35°, HSS-E-Co5
Kúposszárú, ujjmaró hosszú, 4-8 élű, DIN845L, 35°, HSS-E-Co5
Fűrészelés
Lyukfűrészek, körkivágók
Sandflex® Bi-metal lyukfűrész
KEMÉNYFÉM LYUKFŰRÉSZEK
Körfűrészek
Körfűrészek 13 mm-es furattal
Körfűrészek 16 mm-es furattal
Körfűrészek 22 mm-es furattal
Körfűrészek 27 mm-es furattal
Körfűrészek 32 mm-es furattal
Körfűrészek 40 mm-es furattal
Lyukfűrész készletek
Befogók és központfúrók lyukfűrészekhez
Szalagfűrészek
Wikus szalagfűrészek
Wikus - Primar® M42 Szabványos bimetál szalagfűrészlapok, amelyek univerzálisan használhatók kis és közepes munkadarabokhoz
Wikus - MARATHON® M42 nagy teljesítményű bimetál szalagfűrészlapok közepes és nagy, tömör munkadarabokhoz
Bahco szalagfűrészek
Gépi fűrészlapok
Forrasztástechnika
Forrasztópákák
Fahrenheit forrasztópákák (230V)
Fahrenheit gázpákák
Weller forrasztópákák (230V)
Weller forrasztópákák (24V)
Forrasztóállomások
Fahrenheit forrasztóállomások
Weller forrasztóállomások
Pákahegyek
CT5-sorozat
CT6-sorozat
DX
ET
LT
PT - véső alakú
PT - kerek
XT
Egyéb pákahegyek
Forrasztási segédanyagok
Forrasztási kellékek
Csavarozó szerszámok
Villáskulcsok,csillag-villáskulcsok, racsnis kulcsok, -készletek
Állítható villáskulcs
Csillag-villáskulcsok
Csillag-villáskulcs hajlított Bahco
Senator csillag-villáskulcsok
Kennedy csillag-villáskulcsok
IRIMO Csillag-villáskulcs, metrikus 6-75 -ig
Csillagkulcsok, -készletek
Racsnis csillag-villáskulcsok
Racsnis csillagkulcs, -készletek
Villáskulcsok
Villáskulcs készletek
Racsnis csillag-villáskulcs készletek
Csillag-villáskulcs készletek
Hatszög-, Torx-, és csőkulcsok
Hatszögkulcsok
L-kulcs
L-kulcs készletek
Bahco és Irimo L-kulcs készletek
Bondhus L-kulcs készletek
Egyéb L-kulcs készletek
T-imbuszkulcsok
Torx kulcsok
Csőkulcsok
Dugókulcsok, hajtó- és toldószárak, adapterek
Adapterek
Dugókulcsok
Negyed colos dugókulcsok
Negyed colos hatszög dugókulcsok, normál hossz
Negyed colos hatszög dugókulcsok, hosszú
Negyed colos torx dugókulcsok
Három nyolcados dugókulcsok
Három nyolcados hatszög dugókulcs, normál hossz
Három nyolcados hatszög dugókulcs, hosszú
Fél colos dugókulcsok
Fél colos hatszög dugókulcs, normál hossz
Fél colos 12-szög dugókulcs, normál hossz
Fél colos 12-szög dugókulcs, hosszú
Fél colos E-torx dugókulcs, normál hossz
Három-negyed colos dugókulcs
Három-negyed colos hatszög dugókulcs, normál hossz
Három-negyed colos 12-szög dugókulcs, normál hossz
Átmenő dugókulcsok
Gépi dugókulcsok
Negyed colos gépi dugókulcsok
Fél colos gépi dugókulcsok
Három-negyed colos dugókulcsok
Egyéb gépi dugókulcsok, tartozékok
Dugókulcs készletek
Negyed colos dugókulcs készletek
Új Bahco dugókulcs készletek
Három-nyolcados dugókulcs készletek
Fél colos dugókulcs készletek
Három-negyed colos dugókulcs készletek
Vegyes dugókulcs készletek
Átmenő dugókulcs készletek
Gépi dugókulcs készletek
Rátűző kulcsok
Negyed colos rátűző kulcsok
Fél colos rátűző kulcsok
Rátűzőkulcsok imbuszcsavarokhoz fél colos
Rátűzőkulcsok TORX csavarokhoz fél colos
Rátűzőkulcsok XZN csavarokhoz fél colos
Hajtószárak
Negyed colos hajtószárak
Három-nyolcados hajtószárak
Fél colos hajtószárak
Toldószárak
Kapcsolószekrény kulcsok
Csavarhúzók, -készletek
Csavarhúzó készletek
Nem szigetelt csavarhúzó készletek
Bahco szigeteletlen csavarhúzó készletek
IRIMO szigeteletlen csavarhúzó készletek
KENNEDY és SENATOR szigeteletlen csavarhúzó készletek
Weidmüller szigeteletlen csavarhúzó készletek
WIHA szigeteletlen csavarhúzó készletek
Szigetelt csavarhúzó készletek
Csavarhúzók
Csavarhúzók belső kulcsnyílású csavarokhoz
Dugókulcs-csavarhúzók
BahcoFit dugókulcs-csavarhúzók
Dugókulcs-csavarhúzók hosszú furattal
Flexibilis dugókulcs-csavarhúzók
Irimo dugókulcs-csavarhúzók
Mágneses dugókulcs-csavarhúzók
Egyéb csavarhúzók
Fázisceruza
Lapos csavarhúzók
Nem szigetelt lapos csavarhúzók
Bahco ERGO lapos csavarhúzók
Bahco Precíziós lapos csavarhúzók
BahcoFit lapos csavarhúzók
Irimo lapos csavarhúzók
Wiha lapos csavarhúzók
Szigetelt lapos csavarhúzók
Bahco ERGO szigetelt lapos csavarhúzók
BahcoFit szigetelt lapos csavarhúzók
Irimo szigetelt lapos csavarhúzók
Wiha szigetelt lapos csavarhúzók
PH csavarhúzók
PH0
PH1
PH2
PH3
PH4
PZ csavarhúzók
PZ-0 csavarhúzók
PZ-1 csavarhúzók
PZ-2 csavarhúzók
PZ-3 csavarhúzók
PZ-4 csavarhúzók
T-nyelű csavarhúzók
TORQ-SET® biztonsági csavarhúzók
TORX csavarhúzók
Bahco ERGO TORX csavarhúzók
BahcoFit TORX csavarhúzók
Irimo Torx csavarhúzók
Wiha TORX csavarhúzók
TRI-WING® biztonsági csavarhúzók
Robertson négyszögletes csavarhúzók
Üthető csavarhúzók
Üthető lapos csavarhúzók
Üthető PH csavarhúzók
Racsnis csavarhúzók, - készletek
Bitek, bitkészletek, bittartók
Bitek
10 mm-es bitek
10 mm-es hatszög bitek
10 mm-es négyszög bitek
10 mm-es XZN bitek
10 mm-es TORX bitek
Adapterek 10 mm-es bitekhez
Negyed colos bitek
bitkészletek
Hagyományos bitkészletek
Ütvecsavarozó vagy üthető bitek
Bittartók
Körmöskulcsok
Megfogó, vágó-, sorjázó- és ütőszerszámok
Csővágó, -hajlító szerszámok
Feszítő-, emelő vasak, kárpitleszedők
Fogók
Fogó készletek
Kábelvágók
Kerek-, Félkerek-csőrű fogók
Krimpelő szerszámok
Lapos fogók
Mini fogók
Seeger gyűrű fogók
Belső gyűrűkhöz
Külső gyűrűkhöz
Seeger fogók külső-belső gyűrűkhöz, cserélhető hegyekkel
Kombináltfogók
Szigeteletlen kombinált fogók
Szigeteletlen kombinált fogó - 160 mm
Szigeteletlen kombinált fogó - 180 mm
Szigeteletlen kombinált fogó - 200 mm
Szigetelt kombinált fogók
Vízpumpafogók
Bahco és Irimo vízpumpa fogó
KNIPEX Vízpumpa fogó
Wiha Vízpumpafogó
Telefon fogók
Szigeteletlen telefonfogók
Szigeteletlen egyenes telefonfogók
Szigeteletlen telefonfogók, hajlított
Szigetelt telefonfogók
Kábelcsupaszítók
Csípőfogók
Finomelektronikai oldalcsípő
Bahco finomelektronikai oldalcsípők
Wiha finomelektronikai oldalcsípők
Lindström finomelektronikai oldalcsípők
Wetec finomelektronikai oldalcsípők
Szigeteletlen oldalcsípő
Szigetelt oldalcsipőfogó
Erő- és csapszegvágók
Csőfogók
Rögzítő fogók
Harapófogó
NOGA sorjázó szerszámok
"N"( befogási átmérő: 2,6 mm) sorjázók
"N" pengék
"N" pengék markolattal, pengefoglalattal együtt, készletben
Markolatok és pengefoglalat "N" pengékhez
"S" (befogási átmérő: 3,2 mm) sorjázók
"S" pengék
"S" pengék markolattal, pengefoglalattal együtt, készletben
Markolatok és pengefoglalat "S" pengékhez
Kaparók
Kaparó pengék
Kaparó pengék, markolatok, pengefoglalatok együtt, készletben
Markolatok és pengefoglalatok kaparó pengékhez
Kétoldalas sorjázók
Kétoldalas pengék
Markolatok, pengefoglalatok, készletek kétoldalas sorjázáshoz
Süllyesztők
Markolatok és pengefoglalatok süllyesztő pengékhez
Süllyesztő pengék
Süllyesztő pengék, markolatok és pengefoglalatok együtt, készletben
Szegecselő szerszámok
Kézi szorítók
Csipeszek
Lindström precíziós csipeszek
Gazdaságos és ált. célú csipeszek
Nagy pontosságú csipeszek
Egyéb csipeszek
Ollók, metsző ollók
Villanyszerelő ollók
Lemezollók
Bahco lemezollók
Irimo lemezollók
Kennedy lemezollók
Metszőollók
Vésők, lyukasztók, pontozók
Vésők kézvédő markolattal
Favésők
Véső készletek
Csapszegkiütők
Pontozók, lyukasztók
Kések, festékkaparók
Festékkaparók
Kések
Villanyszerelő kések
Kalapácsok
Lakatos kalapácsok
Lakatos kalapács fanyéllel
Lakatos kalapács üvegszálas nyéllel
Ácskalapács
Műanyag kalapácsok
Visszaütésmentes kalapács
Mérnökkalapács
Gumikalapácsok
Csapágylehúzók
Mérőeszközök
Idomszerek
Dugós idomszerek, beállító gyűrűk
Dugós idomszerek
Dugós idomszer készletek
Beállító gyűrűk
Menetes idomszerek
G - csőmenetekhez
Egyoldalas dugós menetidomszer "MEGY" G 1 1
4 -től G 3 -ig
Egyoldalas dugós menetidomszer "NEM MEGY" G 1 1
4 -től G 3 -ig
Gyűrűs menetidomszerek " NEM MEGY" oldal G 1
16-tól G3 -ig
Gyűrűs menetidomszerek "MEGY" oldal G 1
16-tól G3 -ig
Kétoldalas dugós menetidomszer G 1
16 -től G 1 1
8 -ig
Kétoldalas dugós menetidomszer G 1/16 -től G 1 1/8 -ig
Egyoldalas dugós menetidomszer "MEGY" G 1 1/4 -től G 3 -ig
Egyoldalas dugós menetidomszer "NEM MEGY" G 1 1/4 -től G 3 -ig
Gyűrűs menetidomszerek "MEGY" oldal G 1/16-tól G3 -ig
Gyűrűs menetidomszerek " NEM MEGY" oldal G 1/16-tól G3 -ig
Metrikus menetekhez
Dugós menetidomszerek metrikus menetekhez
Dugós menetidomszerek metrikus finommenetekhez
Dugós menetidomszerek 0,35 menetemelkedésú finommenetekhez
Dugós menetidomszerek 0,5 menetemelkedésú finommenetekhez
Dugós menetidomszerek 0,75 menetemelkedésú finommenetekhez
Dugós menetidomszerek 1,00 menetemelkedésú finommenetekhez
Dugós menetidomszerek 1,25 menetemelkedésú finommenetekhez
Dugós menetidomszerek 1,50 menetemelkedésú finommenetekhez
Dugós menetidomszerek 2,00 menetemelkedésú finommenetekhez
Dugós menetidomszerek 3,00 menetemelkedésú finommenetekhez
Dugós menetidomszer készletek metrikus menetekhez
Gyűrűs idomszerek metrikus menetekhez
Gyűrűs idomszerek metrikus normál menetekhez
Gyűrűs idomszerek metrikus normál menetekhez "Megy" oldal
Gyűrűs idomszerek metrikus normál menetekhez "Nem megy" oldal
Gyűrűs idomszerek metrikus finom menetekhez
Gyűrűs idomszerek metrikus finom menetekhez "Megy" oldal
Menetemelkedés 0,35
Menetemelkedés 0,50
Menetemelkedés 0,75
Menetemelkedés 1,00
Menetemelkedés 1,25
Menetemelkedés 1,50
Menetemelkedés 2,00
Menetemelkedés 3,00
Gyűrűs idomszerek metrikus finom menetekhez "NEM Megy" oldal
Menetemelkedés 0,35
Menetemelkedés 0,50
Menetemelkedés 0,75
Menetemelkedés 1,00
Menetemelkedés 1,25
Menetemelkedés 1,50
Menetemelkedés 2,00
Menetemelkedés 3,00
Gyűrűs idomszer készletek metrikus menetekhez
NPT menetekhez
Dugós menetidomszer, NPT
Gyűrűs menetidomszer, NPT
NPTF menetekhez
Dugós menetidomszer, NPTF
Gyűrűs menetidomszer, NPTF
UNC menetekhez
Kétoldalas dugós menetidomszer UNC
Gyűrűs menetidomszer "MEGY" UNC BS 919 2A
Gyűrűs menetidomszer "NEM MEGY" UNC BS 919 2A
UNF menetekhez
Kétoldalas dugós menetidomszer UNF
Gyűrűs menetidomszer "MEGY" UNF BS 919 2A
Gyűrűs menetidomszer "NEM MEGY" UNF BS 919 2A
Mérőeszköz készletek
Mérőhasábok, mérőcsapok, párhuzam készletek
Mérőcsapok
Mérőcsapok darabonként
±0,001 mm pontosságú mérőcsap készletek
±0,002 mm pontosságú mérőcsap készletek
±0,004 mm pontosságú mérőcsap készletek
Mérőcsap tartók
Mérőhasáb készletek
Acél mérőhasáb készletek
Acél mérőhasáb készletek, "0" pontossági osztály
Acél mérőhasáb készletek, "1" pontossági osztály
Acél mérőhasáb készletek, "2" pontossági osztály
Keményfém mérőhasáb készletek
Keményfém mérőhasáb készletek, "0" pontossági osztály
Keményfém mérőhasáb készletek, "1" pontossági osztály
Kerámia mérőhasáb készletek
Mérőeszköz kalibráló mérőhasáb készletek
Tolómérő kalibráló készletek
Mikrométer kalibráló készletek
Egyéb kalibráló készletek
Mérőhasábok
Acél mérőhasábok 0,5 - 2 mm-ig DIN-ISO 3650 1. tűrési osztály
Acél mérőhasábok 2,5 - 25 mm-ig DIN-ISO 3650 1. tűrési osztály
Acél mérőhasábok 30 - 100 mm-ig DIN-ISO 3650 1. tűrési osztály
Acél mérőhasábok 41,3-1000 mm-ig DIN-ISO 3650, 1. tűrési osztály
Párhuzam vizsgálat
Mérőhasáb tartók
Szögmérők, szintezők, dőlésmérők
Szintezők
Hagyományos vízmértékek
Digitális vízmértékek
Gépbeállító vízmértékek, digitális szintezők
Egyéb szintezők
Szögmérők
Dőlésmérők
Tolómérők
SCALA könnyített nagy méretű tolómérők
Tolómérők horony méréséhez
Analóg tolómérők
Hagyományos tolómérők
0-150 mm-ig
0-250 mm-ig
0-300mm-IG
0-500mm-IG
0-800mm-IG
0-1000mm-IG
1000 mm felett
Jelölő tolómérők
Speciális analóg tolómérők
Digitális tolómérők
Hagyományos digitális tolómérők
0-150mm-IG
0-200mm-IG
0-300mm-IG
0-600mm-IG
0-1000mm-IG
IP védett digitális tolómérők
0-150mm-IG
0-200mm-IG
0-300mm-IG
0-600 mm
600 mm felett
Lábkapcsolós kábelek, adatgyűjtők
Speciális digitális tolómérők
Órás tolómérők
Órás tolómérő 150 mm
Órás tolómérő 200 mm
Órás tolómérő 300 mm
Mélységmérők
Analóg
Digitális mélységmérők
Hagyományos digitális mélységmérők
IP védett digitális mélységmérők
Mikrométerek, furatmérők
Analóg mikrométerek
0-25 mm-IG
25-50mm-IG
50-75mm-IG
75-100mm-IG
100-200mm-IG
200mm-TŐL
Beépíthető analóg mikrométerek
Speciális analóg mikrométerek
Mikrométer beállító etalon
Analóg mikrométer készletek
Digitális mikrométerek
0-25 mm-IG
25-50mm-IG
50-75mm-IG
75-100mm-IG
100 -150mmIG
Beépíthető digitális mikrométerek
Laser Scan mikrométer
Speciális digitális mikrométerek
Tartozékok mikrométerhez
Digitális mikrométer készletek
Furatmérő mikrométerek
2-ponton mérő belső mikrométerek
3-ponton mérő belső mikrométerek
3-ponton mérő belső analóg mikrométerek
3-ponton mérő belső analóg mikrométerek 6-20mm-ig
3-ponton mérő belső analóg mikrométerek 20-50mm-ig
3-ponton mérő belső analóg mikrométerek 50-100mm-ig
3-ponton mérő belső analóg mikrométerek 100 mm felett
3-ponton mérő belső digitális mikrométerek
3-ponton mérő belső digitális mikrométerek 6-20mm-ig
3-ponton mérő belső digitális mikrométerek 20-50mm-ig
3-ponton mérő belső digitális mikrométerek 50-100mm-ig
3-ponton mérő belső digitális mikrométerek 100 mm felett
Furatmérő mikrométerek mérőórával
Furatmérő mikrométer készletek
Analóg furatmérő mikrométer készletek
Digitális furatmérő mikrométer készletek
Mikrométer állványok
Elmozdulásmérők
Mérőórák, állványok, furat intók, vastagságmérők
Analóg mérőórák
Asimeto analóg mérőórák
Käfer analóg mérőórák
Mahr analóg mérőórák
MIB analóg mérőórák
Mitutoyo analóg mérőórák
Digitális mérőórák
ASIMETO digitális mérőórák
Käfer digitális mérőórák
MAHR digitális mérőórák
MIB digitális mérőórák
MIB digitális mérőórák, méréstartomány: 0-12,7 mm
MIB digitális mérőórák, méréstartomány: 0-25,4 mm
MIB digitális mérőórák, méréstartomány: 0-50 mm
MIB digitális mérőórák, egyéb
MITUTOYO digitális mérőórák
MITUTOYO digitális mérőórák, tartomány: 12,7 mm
MITUTOYO digitális mérőórák, tartomány: 25,4 mm
MITUTOYO digitális mérőórák, tartomány: 50,8 mm
MITUTOYO digitális mérőórák, tartomány: egyéb
Kábelek és tartozékok digitális mérőórához
Intók, tapintókaros mérőórák
Mérőóra állványok, prizmák
Asimeto mérőóra állványok
Käfer mérőóra állvány
Mahr csuklós mérőóra állványok
MIB mérőóra állványok
Mitutoyo mérőóraállványok
NOGA mérőóra állványok
Prizmák
Mágneses prizmák
Nem mágneses prizmák
Mérőóraállvány talp
Szögtapintós mérőórák
Asimeto szögtapintós mérőórák
Käfer szögtapintós mérőórák
Mahr szögtapintós mérőórák
MIB szögtapintós mérőórák
Mitutoyo szögtapintós mérőórák
Vastagságmérők
Vastagságmérők 0-10mm
Vastagságmérők 0-20mm
Vastagságmérő kalibrálás
Tartalék és különleges tapintók mérőórákhoz és finomkijelzőkhöz
Mérőóra hosszabbító szárak
Derékszögek, körzők, rajztűk
Derékszögek
Asztalos derékszögek
Lakatos derékszögek
Lapos lakatos derékszögek
DIN 875-1
DIN 875-2
Talpas lakatos derékszögek
DIN 875-1
DIN 875-2
Precíziós derékszögek
Lapos precíziós derékszögek
DIN 875-0
DIN 875-1
Talpas precíziós derékszögek
DIN 875-0
DIN 875-1
Szög- és élderékszögek
Szögek- derékszögek, szögmásolók
Élderékszögek
Központozó derékszögek
Kombinált derékszögek
Körzők
Műhelykörzők
Asimeto műhelykörzők
MIB műhelykörzők
Asimeto tapintókörzők
Precíziós rugós körzők
Asimeto rugós körzők
MIB rugós körzők
Asimeto rugós tapintókörzők
Rajztűk
Magasságmérők
Analóg
Digitális
Mérőszalagok, vonalzók, mérőékek
Mérőékek
Mérőszalagok
2 méteres mérőszalagok
3 méteres mérőszalagok
5 méteres mérőszalagok
8 méteres mérőszalagok
10 méteres mérőszalagok
Mérőszalagok 20 m-től
Kerületmérő mérőszalagok
Összecsukható fa vonalzók
Párhuzam jelölők
Vonalzók, élvonalzók
Vonalzók
Élvonalzók
Mérlegek, sablonok, műszerek
Egyéb műszerek
Erőmérők
Feszültség detektorok, kábeltesztelők, érpárkeresők
Hőmérők
Keménységmérők, keménység etalonok
Lakatfogók
Mérlegek
Multiméterek
Sablonok, etalonok
Hézagmérő sablonok
Rádiusz sablonok, huzal átmérő ellenőrzők
Forgácsolási ellenőrző sablonok
Hegesztési sablonok
Érdességmérő sablonok
Mikroszkóp, nagy mérőműszer
Endoszkópok
Érdességmérők
Mérőprojektorok
Mikroszkópok
Nagy keménységmérők
Nagyítók
Rétegvastagságmérők
Tapintó készletek és rögzítő rendszerek, éltapintók
Útmérők
Mérőeszköz informatika, tartozék
Mérőasztal, gránitlap
Műhelyfelszerelések, műhelyberendezések
Lámpák
Zseblámpák
Fejlámpák
Szerelő lámpák
Reflektorok
Munkalámpák
Mágneses eszközök, teleszkópos vizsgáló tükrök, csavarkiszedők
Munkapadok, székek, szállító eszközök
Gépek
BAHCO Egyéb műhelyfelszerelések
Cleancraft - Tisztítástechnika
HIKOKI akkus, elektromos és levegős szerszámgépek
Akkumulátoros gépek, akkuk és töltők
18 V-os Akkus fúró- csavarozó
18 V-os Akkus sarokcsiszoló
18 V-os Akkus fűrészek
Egyéb 18 V-os akkus gépek
18V-os akkuk és töltők
Hálózati gépek
Elektromos sarokcsiszolók
SDS-plus befogású fúrókalapácsok
Fúrógépek
SDSMAX Fúrókalapácsok
Ütvefúrók
Véső, bontókalapácsok
Fűrészek
Csiszolók, Polírozó
Porszívók
Egyéb hálózati gépek
HIKOKI levegős szerszámgépek
Holzstar - Famegmunkálás
Levegős szerszámok
Bahco - levegős szerszámok, tartozékok
KOBE - levegős szerszámok, tartozékok
CARGUARD légfúvó-, festékszóró-, homokfúvó pisztolyok
Irimo levegős gépek, tartozékok
AIRCRAFT - pneumatika
Fúvó-, szóró-, tömítő pisztolyok
Egyéb pisztolyok, készletek
Lefuvató pisztolyok
Szórópisztolyok
Kompresszorok
Sűrített levegős csatlakozók, tömlők, készletek
Sűrített levegős szerszámok és tartozékaik
Egyéb sűrített levegős szerszámok, készletek
Sűrített levegős csavarozó szerszámok, -készletek
Sűrített levegős csiszoló szerszámok és tartozékaik
Tömlődobok, kábelfelcsévélők
Cleco -Ipari sűrített levegős ütvecsavarozók
Cleco CWM sorozat, fém házas, levegős ütvecsavarozó
Cleco CV sorozat, műanyag házas levegős ütvecsavarozó
Cleco CWC sorozat, kompozit házas levegős ütvecsavarozó
METALLKRAFT - fémipari gépek
Hajlító- és hengerítőgépek
MB mágnestalpas magfúrógépek és kiegészítőik
Perem sorjázók, szalagcsiszológépek
Tárcsás darabológép, szalagfűrészgépek
Steinel hőlégfúvók
Hőlégfúvók
Steinel régi sorozatú, kifutó hőlégfúvók
Steinel hőlégfúvók HM sorozat
Steinel CAS akkus hőlégfúvók
Fúvókák és egyéb tartozékok
Hőlégfúvók tartozékai (standard fúvókák, 34 mm)
Tartozékok rögzíthető fúvókás hőlégfúvókhoz
Egyéb tartozékok
Fogyóeszközök
STEINEL ragasztástechnika
Akkus ragasztópisztolyok
Ragasztópisztolyok
Ragasztópisztoly fúvókák
Ragasztórudak
Ragasztórudak Ø11 mm
Ragasztórudak Ø7 mm
Alacsony olvadáspontú ragasztórudak Ø7 mm
Weidmüller vezeték nélküli szerszámok
Handy elektromos gépek
OPTIMUM szerszámgépek
Egyéb gépek, tartozékok, kiegészítők
Esztergagépek
Fúrógépek
Köszörű- és csiszológépek
Szalagfűrészgépek, anyagtovábbító állványok
UNICRAFT - műhelyfelszerelés
Áramfejlesztők
Egyéb műhelyfelszerelések
Emelők, szállító eszközök
Eszközök homokfúváshoz, alkatrészmosók
Elektromos tartozékok, egyéb tartozékok
CRC Ipari karbantartó anyagok
LOC-LINE hűtőcső rendszer
LOC-LINE hűtőcső rendszer
Negyed collos rendszer
Fél collos rendszer
Három-negyed collos rendszer
Szerelőfogók LOC-LINE rendszerhez
Emelőeszközök, géptalpak, láncok
EGANA - géptalpak
Egana géptalp, CAM sorozat
Egana géptalp, elasztikus támaszték
Egana géptalp, poliuretán talppal
Egana géptalp, rozsdamentes,
Krokodil emelők, tartóbakok
Olajemelők
TECNA balanszerek
TECNA balanszer - kábel: 1600 mm
TECNA balanszer - kábel: 2000 mm
TECNA balanszer - kábel: 2500 mm
TECNA balanszer - kábel: 3000 mm
Tisztítókendők
Nyomaték szerszámok
CLECO CellClutch akkus, kuplungos nyomaték csavarbehajtók
Akkus sarokcsavarozó
Akkus pisztolymarkolatú csavarozó
CLECO CellCore akkus nyomaték-csavarbehajtók
Akkus sarokcsavarozó
Akkus pisztolymarkolatú csavarozó
Tartozékok CLECO akkus csavarozókhoz
Nyomatékkulcsok és rátűzőfejek
Digitális nyomatékkulcs
Digitális nyomatékkulcs fix fejjel
Digitális nyomatékkulcs cserélhető fejjel
Mechanikus nyomatékkulcsok
Negyed colos mechanikus nyomatékkulcsok
Három-nyolcad mechanikus nyomatékkulcsok
Fél colos mechanikus nyomatékkulcsok
Három-negyed colos mechanikus nyomatékkulcsok
1" mechanikus nyomatékkulcsok
Nyomatékkulcs alapszerszám feltűzhető szerszám nélkül
Nyomatékkulcs alapszerszám feltűzhető szerszám nélkül, 9x12mm csatlakozással
Nyomatékkulcs alapszerszám feltűzhető szerszám nélkül, 14x18mm csatlakozással
Rátűzőfejek nyomatékkulcshoz
Irányváltós, racsnis, kerek feltűzőfejek
Irányváltós-, racsnis-, rátűzőfej átkapcsolható kioldóval
Rátűzőfejek, mm
Villás rátűzőfejek 9x12mm-es csatlakozással
Villás rátűzőfejek 14x18mm-es csatlakozással
Villás rátűzőfejek 24x32mm-es csatlakozással
Villás rátűzőfejek 27x36mm-es csatlakozással
Csillag rátűzőfejek 9x12mm-es csatlakozással
Csillag rátűzőfejek 14x18mm-es csatlakozással
Csillag rátűzőfejek 24x32mm-es csatlakozással
Csillag rátűzőfejek 27x36mm-es csatlakozással
Nyitott csillag rátűzőfejek 9x12mm-es csatlakozással
Rátűzőfejek, col
Colos villás rátűzőfejek 9x12mm-es csatlakozással
Colos villás rátűzőfejek 14x18mm-es csatlakozással
Colos csillag rátűzőfejek 9x12mm-es csatlakozással
Colos csillag rátűzőfejek 14x18mm-es csatlakozással
Hegeszthető rátűzőfejek, egyedi rátűzők kialakításához
Rátűzőfej adapterek
Nyomatékkulcs akkreditált kalibrálása
Nyomaték többszörözők
Nyomaték- csavarhúzók
Bahco nyomaték-csavarhúzó
Norbar nyomaték-csavarhúzó
Wiha nyomaték-csavarhúzó
Nyomatékmérők
Mért érték jeladók
Nyomaték kijelzők
Szerszámkocsik
Üres szerszámkocsik
Bahco Alap 1472K sorozatú szerszámkocsik E72
Bahco Alap 1472K sorozatú szerszámkocsik E72 - 5 fiókos
Bahco Alap 1472K sorozatú szerszámkocsik E72 - 6 fiókos
Bahco Alap 1472K sorozatú szerszámkocsik E72 - 7 fiókos
Bahco Alap 1472K sorozatú szerszámkocsik E72 - 8 fiókos
1472K kiegészítők, tartozékok
Bahco erősített 1477K sorozatú szerszámkocsik E77
Bahco erősített 1477K sorozatú szerszámkocsik E77 - 6 fiókos
Bahco erősített 1477K sorozatú szerszámkocsik E77 - 7 fiókos
Bahco erősített 1477K sorozatú szerszámkocsik E77 - 8 fiókos
Bahco erősített 1477K sorozatú szerszámkocsik E77 - 9 fiókos
Felső szekrény 4 fiókos erősített - E87
1477K kiegészítők, tartozékok
Bahco könnyített 1475K szerszámkocsik C75
Könnyített 1475K normál széles (26"=677mm) szerszámkocsik
Könnyített 1475K normál széles (26"=677mm) szerszámkocsik - 6 fiókos
Könnyített 1475K normál széles (26"=677mm) szerszámkocsik - 7 fiókos
Könnyített 1475K normál széles (26"=677mm) szerszámkocsik - 8 fiókos
Felső szekrény 4 fiókos könyített - C85-26"
Könnyített 1475K extra széles (40"=1016mm) szerszámkocsik
Könnyített 1475K extra széles (40"=1016mm) szerszámkocsik - 6 fiókos
Könnyített 1475K extra széles (40"=1016mm) szerszámkocsik - 7 fiókos
Könnyített 1475K extra széles (40"=1016mm) szerszámkocsik - 8 fiókos
Könnyített 1475K extra széles (40"=1016mm) szerszámkocsik - 12 fiókos
Könnyített 1475K extra széles (40"=1016mm) szerszámkocsik - 6 fiók + szekrény
Felső szekrény extra széles 4 fiókos könyített - C85-40"
1475K kiegészítők, tartozékok
Irimo szerszámkocsi
Senator, Kennedy szerszámkocsik
Felszerelt szerszámkocsik
Szivacsbetétes szerszámmodulok
Egy harmad méretű
Két harmad méretű
Három harmad (teljes) méretű
Szerszámtáskák, tartók
Szerszámos ládák, alkatrész tárolók, rendszerezők
Fém szerszámos ládák
Műanyag szerszámos ládák
Műanyag tároló dobozok
Rendszerezők
Viselhető szerszám tárolók
Szerszámtáskák, -tartók szerszám nélkül
HIKOKI - HITBOXOK
Weidmüller szerszámtáskák, - mappák
Erős, alumíniumkeretes táskák
CHICAGO szerszámtáska - Hepco
ROBUST szerszámtáska - Hepco
FUTURE szeszámtáska - Hepco
CLASSIC szerszámtáska - Hepco
BUDGET szerszámtáskák - Hepco
BASIC szerszámtáska - Hepco
Polipropilén táskák
SOLID szerszámtáska - Hepco
Polytex táskák, hátizsákok, övtáskák, zipzáras mappák
Handy poliészter táskák
POLYTEXT szerszámtáskák - Hepco
Bahco polytex táskák, tartók
Irimo polytex táskák, tartók
Bőrtáskák
HEPCO FAVORIT bőrtáskák
Bahco bőrtáskák
Egyéb szerszámtartók
WING összecsukható szerszámtartó - Hepco
Easy felgöngyölhető szerszámtartó - Hepco
Szerszámkoffer tartozékok
Hepco & Becker tartozékok 460 mm-es szerszámtáskához
Hepco & Becker tartozékok 470 mm-es szerszámtáskához
Szerszámtáska alkatrészek
Alkatrészek BASIC táskához
Alkatrészek BUDGET táskához
Alkatrészek CLASSIC táskához
Alkatrészek FUTURE táskához
Alkatrészek ROBUST táskához
Szerszámtáskák, -tartók szerszámokkal
Kisméretű táskák, tartók szerszámokkal
Nagyméretű P-BAG táskák szerszámokkal
ProCase táskák szerszámokkal
Gurulós szerszámtáskák és hátizsákok szerszámokkal
Munkavédelem
Ruházat
Kesztyűk
Fejvédelem
Szemvédelem
Légzésvédelem
Hallásvédelem
Főoldal
Rólunk
Akciók
Katalógusok
Vásárlási feltételek
Kapcsolat
Feliratkozás hírlevére
Kapcsolat
+36-1/260-3030
info@uranusz.hu
H-2330 Dunaharaszti, Templom u. 8.